熱線:021-66110810,66110819
手機:13564362870

熱線:021-66110810,66110819
手機:13564362870
2實驗結果與仿真分析
2.1實驗結果
為了探究納米線的介電組裝特性,首先在寬度約為4μm的單島微電極上進行ZnO納米線的組裝實驗,不同頻率下的實驗結果見圖2.圖2a顯示,電場頻率為150 kHz時,有少量納米線將導電島和電極搭接起來;圖2b顯示,電場頻率為500 kHz時,搭接導電島和電極的納米線數量增多,且左右兩側的電極上也沉積了少量的納米線;圖2c顯示,電場頻率為1 MHz時,搭接導電島和電極的納米線數量再次增多,并且出現了互相平行的納米線。
150 kHz 500 kHz 1 MHz圖2單島微電極介電組裝實驗結果
單島微電極進行了納米線介電組裝實驗之后,在寬度相同的雙島微電極中再次進行納米線的介電組裝實驗,實驗結果見圖3.圖3a顯示,電場頻率為150 kHz時,左側的微間隙以及2個導電島間的微間隙沉積了少量納米線,且兩側電極上同樣沉積了少量納米線;圖3b顯示,電場頻率為500 kHz時,電極系統中納米線組裝數量顯著提升,且微間隙被多根納米線搭接,同時出現少量的互相平行的納米線;圖3c顯示,電場頻率為1 MHz時,電極系統內組裝的納米線少量增加,微間隙之間仍然存在納米線搭接現象,總體趨勢和500 kHz時相差不大。
150 kHz 500 kHz 1 MHz圖3雙島微電極介電組裝實驗結果
2.2電場分布
在圖1b的三維模型中進行仿真模擬,由于微電極的結構改變時其內部電場分布隨之改變,進而會影響介電操控的結果,因此對單島和多島微電極的電場分布進行分析,有利于探究納米線的運動情況,2種結構微電極的電場分布結果如圖4所示。
圖4a顯示,單島微電極的微間隙附近的電場線比較密集,由間隙區域向外發散的過程中,電場線密度逐漸降低;雙島微電極的電場線密度沿著2電極向導電島移動的過程中,電極與導電島之間的微間隙電場線密度最高,之后逐漸降低,到達2島之間的微間隙后又逐漸升高,其他區域電場線密度較低;因此,當單島微電極引入導電島單元后,電場分布發生變化,電場奇異性變強,納米線展現出更好的介電組裝效果。
a.單島;b.雙島。圖42種微電極xOz截面的電場分布
2.3介電泳力對多島微電極介電組裝的影響
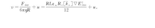
在非均勻外界電場下,由于電場與感應偶極子之間的相互作用,假設電場的平方梯度為常數,可得納米線時均介電泳力,如下所示:
當所施加的電場頻率為500 kHz時,2種微電極的介電泳力流速分布如圖6所示。在介電泳力的誘導下,納米線被輸送至微間隙區域,越靠近微間隙區域,作用在納米線上的力越大,且介電泳速度方向均指向微間隙。不同于單島微電極,雙島微電極中納米線被輸送到3個微間隙區域,介電組裝效果更好。
a.單島;b.雙島。圖6電場頻率為500 kHz時介電泳力的流速分布結果
2.4交流電熱流對多島微電極介電組裝的影響
在納米線的介電組裝過程中,電場頻率的變化對流體的流速和方向有影響。對多島微電極施加中高頻電場作用時,交流電熱流的流速起主導作用。因此,對納米線介電組裝過程中的交流電熱流進行分析是必要的。液體中的流體單元受到的平均電熱體積力密度為
為了獲取納米線組裝中溫度的影響結果,在2種微電極中對傅里葉熱導方程求解
其中,k表示液體介質的導熱系數,其值取
表示焦耳熱源。
低雷諾數不可壓縮流體的穩態Navier-Stokes方程為
其中,p表示液體壓力,μ表示流體的速度矢量。
圖7,8分別給出了施加3種不同電場頻率時,2種微電極截面一上電熱流的仿真結果。圖7a顯示,電場頻率為150 kHz時,單島微電極的左右兩側產生對稱電熱流對流漩渦現象,電熱流流向2個微間隙區域;圖8a顯示,電場頻率為150 kHz時,雙島微電極左右兩側同樣產生對稱電熱流對流漩渦現象,不同點在于,電熱流不僅流向2個微間隙區域而且垂直朝下流入中間微間隙區域;圖7b顯示,電場頻率為500 kHz時,單島微電極電熱流的流動發生反向,電熱流同樣呈左右對稱分布;圖8b顯示,電場頻率為500 kHz時,雙島微電極電熱流的流動同樣發生反向,且中間微間隙上方產生2個新的對流漩渦;圖7c,8c顯示,電場頻率為1 MHz時,2種微間隙的電熱流的流動情況基本與500 kHz一致,但是微間隙處電熱流流速均有所加快。不同于單島微電極、雙島微電極隨著電場頻率的增加,中間微間隙上方出現一對新的對流旋渦,這更有利于納米線介電組裝行為的發生。
圖7單島微電極電熱流流速分布 圖8雙島微電極電熱流流速分布
2.5合力作用
在微間隙電極系統介電組裝過程中,納米線在中高頻環境下的移動是由近場介電泳力和遠場電熱對流共同引起的。移動速度為
通過介電泳力、交流電熱流對介電組裝影響的結果發現,雙島微電極可以更好地進行納米線介電組裝行為。針對合力作用的分析,僅以雙島微電極為例進行組裝仿真實驗。圖9給出了施加3種不同電場頻率時,介電泳力和電熱流合力作用下速度流線的仿真結果。圖9a顯示,電場頻率為150 kHz時,在雙島微電極的左右兩側存在一對對稱分布的對流旋渦,將納米線輸送到兩側微間隙,中間區域流體垂直流向微間隙;圖9b顯示,電場頻率為500 kHz時,流體流動方向發生改變,且中間微間隙的上方出現一對新的對流旋渦;圖9c顯示,電場頻率為1 MHz時,旋渦現象與電場頻率為500 kHz時基本相同。
圖9合力作用下的流速分布
3結論
在中高頻的環境下,在單島和雙島2種不同結構的微電極中進行ZnO納米線介電組裝實驗。實驗表明:隨著電場頻率的增加,2種不同結構的微電極中納米線的組裝數量均逐步增加且出現互相平行的納米線。通過對電場分布的仿真得出,雙島微電極的電場奇異性變強,對納米線介電組裝更有利;在交流電熱流的仿真對比過程中,隨著電場頻率的增加,雙島微電極中間微間隙上方產生2個新的對流漩渦,且在達到反轉頻率之后,電熱流的流動方向發生反轉;在合力作用的仿真模擬過程中,隨著電場頻率的增加,數值仿真圖也出現將納米線輸送至微間隙組裝區域的對流旋渦。進一步闡明了納米線的組裝行為是介電泳力與電熱流共同作用形成的。
相關新聞